スガツネ工業/ランプ SL-GB25型 セーフラッチ
| 商品管理番号 | sl-gb25i |
|---|---|
| 生産地 | スガツネ工業株式会社 |
SL-GB25型 セーフラッチ
- オリジナルデザインのつまみと、スライド式ラッチを組み合わせたラッチです。
- セーフラッチは、揺れなどでキャビネットなどの扉が開くのを防止します。
- カブセ仕様、インセット仕様どちらの扉にも使用できます。
- つまみ先端の作動レバーとラッチの引っ掛かりを十分とってあり、調整が容易です。
【注意】
- 本体と受座の指定の掛り代4mmは必ず確保してください。
- レバー部、おねじ部(M14)にグリス、潤滑剤などが付かないようにしてください。おねじ部の破断 などの原因になります。
- 長時間の仕様などで扉が反ったり、垂れ下がったりすると、正常に作動しなくなることがあります 。 その場合、扉の建て付けを調整するか、本品の取付位置を調節してください。
- 予想を超える衝撃が加わると扉が開放してしまう場合がありますので、重量物などの収納はお避け ください。
【付属品】
- 十字穴付なべタッピンねじ3×14
【セーフラッチを使用していない 場合】

揺れなどで扉が開き収納物が落下・散乱し、ケガやガラス器類の破損など、思わぬ損害をこうむり ます。
【セーフラッチを仕様した場合】

扉はロックされ、被害を最小限に抑えます。
| 品番 | 色 | 保持力N | 保持力kgf | 適応扉厚 | 質量g |
|---|---|---|---|---|---|
| SL-GB25I | アイボリー | 156.8 | 16 | 18~25 | 32.5 |



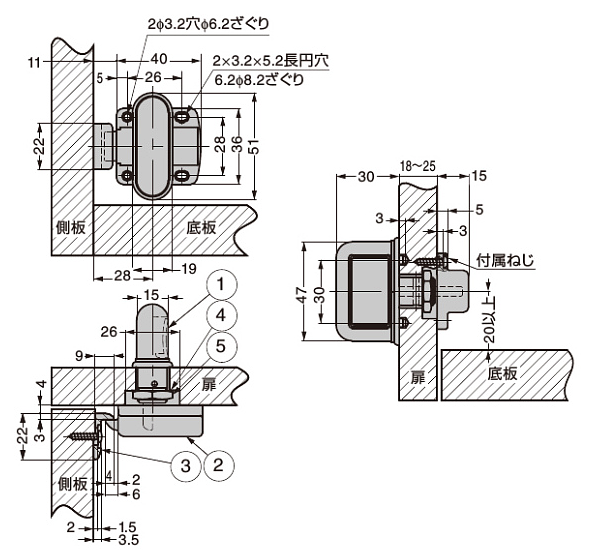
| № | 部品名 | 材料 | 仕上/色 |
|---|---|---|---|
| ① | つまみ | ABS樹脂 | アイボリー |
| ② | ラッチ | ポリアミド(PA) | |
| ③ | 受座 | ポリアセタール(POM) | |
| ④ | 波ワッシャ (Φ14.5×Φ20×t0.3) | 鋼 | - |
| ⑤ | SL用ロックナットM14 | 鋼(SWRCH) | 有色クロメート処理(三価) |
【扉加工図】


【使用例】

こちらはラッチが上に出る仕様で、つまみを縦向きで取り付ける場合です。
適応取付箇所


【取付箇所例】


おすすめ商品
-
TAKIYA/タキヤ CAフック 天井面取付専用
- カタログ価格
- 1,000円
-
エイト ◇8・□7兼用 チューブラ消音ラッチ バックセット51mm 8分ラッチ(径24mm)
- カタログ価格
- 2,000円
-
SOWA/川喜金物 710型プッシュツマミ (718・719)
- カタログ価格
- 1,250円
-
HINAKA/日中製作所 CHL-123DX 細形ケース取替錠 レバーハンドル ディンプルキー5本付
- カタログ価格
- 12,430円
-
KGパルテック ALH26 アルミロング引手
- カタログ価格
- 2,250円
-
真鍮甲丸プラントレール足付 2連 定尺
-
スガツネ工業/ランプ FD25SP-30-TRJ FD25SP用トリガー取付治具
- カタログ価格
- 160円
-
スガツネ工業/ランプ FD35SP 上吊式引戸 戸袋対応 デュアルソフトクローザー仕様 上ローラー木口掘込
- カタログ価格
- 5,230円
-
MIWA/美和ロック PiACKⅡsmart(LA・DA対応用)電池式電動サムターンユニット
- カタログ価格
- 57,200円
-
ヤマイチ/山口安製作所 ステンレス新案障子バネ
-
HINAKA/日中製作所 CHL-123-O 空錠 細形ケース取替錠 レバーハンドル
- カタログ価格
- 10,220円
-
RYOBIリョービ 万能型取替用ドアクローザーS-202P 一般住宅玄関・勝手口用 左右勝手口に対応
- カタログ価格
- 15,120円
-
真鍮甲丸プラントレール足付 1連 定尺
-
日中製作所/ヒナカ NP221-W 樹脂製レバーハンドル 表示錠
- カタログ価格
- 4,730円
-
スガツネ工業/ランプ EB-DA型 ステンレス鋼製折りたたみ棚受 ダンパー内蔵 1本単位販売
- カタログ価格
- 13,400円
-
blum/ブルム 378M400SBset TANDEMBOX Plus(タンデムボックスプラス) 標準キャビネット ブルモーション内臓 フルスライド アンダーマウントレール(側板スチール製引出システム)
-
錺技研 亀甲鋲 鉄 ブロンズメッキ
-
ミネベアショウワ SADIOTLOCK2(サディオロックツー) 本体 面付スマートロック
- カタログ価格
- 15,000円
-
ベスト/BEST No.274 ニューラブロック NL-M6 間仕切錠 バックセット60mm ドア厚25~40mm
- カタログ価格
- 3,100円
-
HINAKA/日中製作所 32A-W GIAレバー 表示錠
- カタログ価格
- 7,510円
-
スガツネ工業/ランプ SF型 配線孔キャップ
- カタログ価格
- 660円
-
スガツネ工業/ランプ AZ-ND型 ステンレス 屑入投入口
- カタログ価格
- 11,500円
-
川口技研 SF5 サムターンシリーズ サムターンシリンダー錠 バックセット:51mm 扉厚:28mm~40mm
- カタログ価格
- 7,120円
-
OKD 引戸用WCロック 面付け型 バックセット25mm 扉厚28mm~40mm 左右兼用
-
スガツネ工業/ランプ FD30SP 上吊式引戸 アウトセット デュアルソフトクローザー仕様 上ローラ木口掘込
- カタログ価格
- 18,000円
-
blum/ブルム 560H TANDEM(タンデム) ブルモーション内臓 フルスライド アンダーマウントレールのみ
-
錺技研 トキン鋲 正真鍮磨
-
スガツネ工業/ランプ FD25SP-WRH-DSC デュアルソフトクローザー(掘込用)
- カタログ価格
- 7,200円
-
ベスト/BEST No.R782 2枚連動ローラー装置部品セット
- カタログ価格
- 5,300円
-
スガツネ工業/ランプ アンダーマウント型レール 2020 セルフ&ソフトクロージング機構付 底付けタイプ
- カタログ価格
- 3,400円
