ベスト/BEST No.1603B ワンタッチグレビティヒンジ/枠付用 センターストップあり/ピボット式(ドア厚:30mm~45mm)
| 商品管理番号 | best_1603b | 
|---|---|
| 生産地 | 株式会社ベスト | 

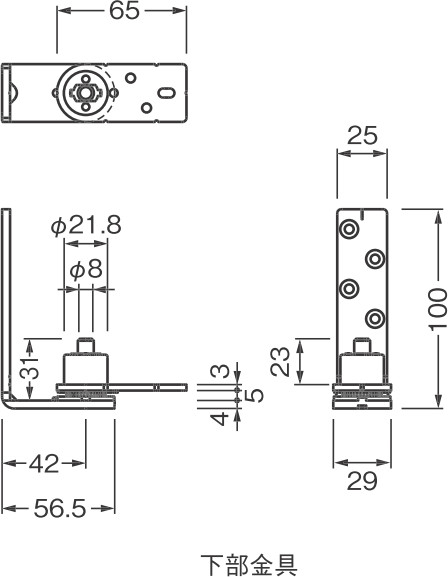
No.1603B ワンタッチグレビティヒンジ
- 上部アングルに抜け止め金具が一体化しているため、下部・上部の順に嵌め込むだけでドアの吊り込みが完了します。
 - バネを使用しない自閉(開)装置が付いたヒンジです。
 - 外開・内開・左右勝手がカムの向きで簡単に設定できます。
 - 10度ずつの開き角度を設定でき、センター止め設定も簡単にできます。
 - ドアの静止位置より90度開きで約4mmせり上がります。
 
| 用途 | ラバトリーブース | 
|---|---|
| 材質 | ステンレス鋼SUS304 POM樹脂  | 
| 扉厚 | 30mm~45mm | 
| 扉重量 | 10kg~30kg | 
| 付属ネジ | 皿タッピングネジ4×30mm なべタッピングネジ4×30mm  | 
| 特徴 | 上部アングルに抜け止め金具が一体化しているため、下部・上部の順に嵌め込むだけでドアの吊り込みが完了します。
![]()  | 
| 仕上 | バレル研磨 | 



ベストBEST 中心吊ヒンジの比較
| 品番 | |||||
|---|---|---|---|---|---|
| 製品 | SCヒンジ![]()  | SCヒンジ![]()  | グレビティヒンジ![]()  | グレビティヒンジ![]()  | グレビティヒンジ ロングタイプ ![]()  | 
| 代替品 | No.1602A No.1602B  | No.1602AK | |||
| センター ストップ  | × | × | ○ | ○ | ○ | 
| ドア吊込方法 | ピボット式 | ピボット式 | ピボット式 | ピボット式 | ピボット式 | 
| 角度調整 | 22.5度ずつ | 22.5度ずつ | 10度ずつ | 10度ずつ | 10度ずつ | 
| せり上がり | - | - | 4mm | 4mm | 4mm | 
| 仕様 | 枠付用 | 笠木用 | 枠付用 | 笠木用 | 枠付用 | 
| ドア厚 | 30~45mm | 30~45mm | 30~45mm | 30~45mm | 30~45mm | 
| ドア重量 | 10~20kg | 10~20kg | 10~30kg | 10~30kg | 10~30kg | 
| 品番 | ||||
|---|---|---|---|---|
| 製品 | 非常解 グレビティヒンジ ![]()  | 非常解 グレビティヒンジ ![]()  | グレビティヒンジ ![]()  | グレビティヒンジ![]()  | 
| 代替品 | ||||
| センター ストップ  | ○ | ○ | ○ | ○ | 
| ドア吊込方法 | ピボット式 | ピボット式 | ケンドン式 | ケンドン式 | 
| 角度調整 | 10度ずつ | 10度ずつ | 20度ずつ | 20度ずつ | 
| せり上がり | 4mm | 4mm | 8mm | 8mm | 
| 仕様 | 枠付用 | 枠付用 | 枠付用 | テラゾー用 | 
| ドア厚 | 30~45mm | 25~45mm | 36~55mm | 40mm | 
| ドア重量 | 10~30kg | 10~30kg | 20kg | 10~20kg | 
おすすめ商品
- 
        
                        
                                    ベスト/BEST No.1602BCL 指はさみ防止 ロングタイプ グレビティヒンジ 枠付用 ピボット式(ドア厚:30mm~45mm)
- カタログ価格
 - 11,000円
 
 - 
        
                        
                                    エイト TB-200 マルチラバトリーヒンジ 左右兼用 SUS304 上框用・下框用セット
- カタログ価格
 - 6,550円
 
 - 
        
                        
                                    ベスト/BEST No.1602BK グレビティヒンジ 笠木用 ピボット式(ドア厚:30mm~45mm)
- カタログ価格
 - 6,700円
 
 - 
        
                        
                                    MK/丸喜金属本社 S-965 ステンレス リターンヒンジ ドア厚:30-40mm ドア重量:10kg以下
- カタログ価格
 - 4,190円
 
 - 
        
                        
                                    ベスト/BEST No.1602DC 非常解グレビティヒンジ 指はさみ防止タイプ 枠付用 ピボット式(ドア厚:30mm~45mm)
- カタログ価格
 - 7,500円
 
 - 
        
                        
                                    スタンダードスイングロック丁番(スイングロックヒンジ) 5250型
- カタログ価格
 - 2,050円
 
 - 
        
                        
                                    アトラス #900-1 中心吊グレビティヒンジ框取付用(バレル仕上げ)
 - 
        
                        
                                    ベスト/BEST No.1600K SCヒンジ 笠木用 ピボット式(ドア厚:30mm~45mm)
- カタログ価格
 - 9,000円
 
 - 
        
                        
                                    シブタニ LH-761 中心吊グレビティヒンジ 枠取り付け用 左右兼用 適用扉重量:30kg
 - 
        
                        
                                    ベスト/BEST No.1602C-C グレビティヒンジ 下部固定 カウンター用
- カタログ価格
 - 8,400円
 
 - 
        
                        
                                    ベスト/BEST No.1602U カウンターヒンジ/枠付用 センターストップあり/ピボット式(ドア厚:30mm~45mm)
- カタログ価格
 - 8,600円
 
 - 
        
                        
                                    ベスト/BEST No.1604A グレビティヒンジ(面付型/ステンレス鋼) ヘアライン
- カタログ価格
 - 5,300円
 
 - 
        
                        
                                    アトラス #924 面付ラバトリーヒンジ 左右兼用 ヘアーライン
 - 
        
                        
                                    ベスト/BEST No.1602CT 左右勝手あり グレビティヒンジ テラゾー用 ケンドン式(ドア厚:40mm)
- カタログ価格
 - 8,700円
 
 - 
        
                        
                                    ベスト/BEST No.604 丁番型グレビティヒンジ 左右兼用(面付型/ステンレス鋼)ホーニング
- カタログ価格
 - 5,700円
 
 - 
        
                        
                                    ベスト/BEST No.600C グレビティヒンジ(指はさみ防止)ホーニング
- カタログ価格
 - 16,100円
 
 - 
        
                        
                                    ベスト/BEST No.1600 SCヒンジ 枠付用 ピボット式(ドア厚:30mm~45mm)
- カタログ価格
 - 9,000円
 
 - 
        
                        
                                    アトラス #921 マルチラバトリーヒンジ 4穴 ヘアラインバフ仕上
 - 
        
                        
                                    ベスト/BEST No.1602NB グレビティヒンジ/枠付用 センターストップあり/ピボット式(ドア厚:30mm~45mm)
- カタログ価格
 - 5,300円
 
 - 
        
                        
                                    ベスト/BEST No.1602ND 非常解グレビティヒンジ 枠付用 センターストップあり ピボット式(ドア厚:25mm~45mm)
- カタログ価格
 - 7,100円
 
 - 
        
                        
                                    ベスト/BEST No.1602C グレビティヒンジ/枠付用 センターストップあり/ケンドン式(ドア厚:36mm~55mm)
- カタログ価格
 - 6,900円
 
 - 
        
                        
                                    ベスト/BEST No.1602BC 指はさみ防止タイプ グレビティヒンジ 枠付用 ピボット式(ドア厚:30mm~45mm)
- カタログ価格
 - 6,500円
 
 - 
        
                        
                                    ベスト/BEST No.1602D 非常解グレビティヒンジ/枠付用 センターストップあり/ピボット式(ドア厚:30mm~45mm)
- カタログ価格
 - 7,500円
 
 - 
        
                        
                                    ウエスタンドアヒンジ ドア寸法:20mm~40mm ドア重量:10kg以下
 - 
        
                        
                                    アトラス #925 ネオラバトリーヒンジ ヘアーライン
 
                                                            
                









        